ДМГ11
Доступен для скачивания
краткий каталог продукции:
Датчик магнитогерконовый ДМГ1 предназначен для бесконтактной коммутации электрических цепей исполнительных устройств в промышленных автоматизированных устройствах, линиях, станках и системах.
Версия: 2025-09-10-СДГ
Герконовые магнитные датчики имеют в своем составе магнитоуправляемый контакт (геркон), который изменяет состояние контактов при воздействии управляющего магнитного поля. Приближение магнитного поля (например, постоянного магнита на поршне цилиндра) приводит к изменению электрического сигнала.
Датчик подходит для замены геркона на датчиках-реле потока ДР-ПП-12-15, ДР-ПП-09, ДР-ПП-10-15, ДР-ПП-10-20.
Датчик подходит для замены геркона на датчиках-реле потока ДР-ПП-12-15, ДР-ПП-09, ДР-ПП-10-15, ДР-ПП-10-20.
Особенности:
- Надежность и долговечность
- Простота установки и эксплуатации
- Широкий спектр применения в различных отраслях промышленности
Преимущества:
- Четкое определение положения объектов
- Возможность интеграции с различными системами автоматизации
Применение:
Магнитные датчики положения находят свое применение в машиностроении, автомобильной промышленности, робототехнике и многих других областях, где требуется точное определение положения движущихся частей. Они позволяют повысить эффективность производственных процессов и улучшить контроль над работой оборудования.
Технические характеристики:
| Параметр | Значение |
| Расстояние срабатывания на магнитное поле
| ≤14 мм |
| Мощность
| 10 В |
| Максимальный коммутируемый ток
| =0,5 А |
| Максимальное коммутируемое напряжение
| ≅220 В |
| Рабочая температура
| 0...+60°C |
| Материал
| Полипропилен |
| Длина провода
| 36 см |
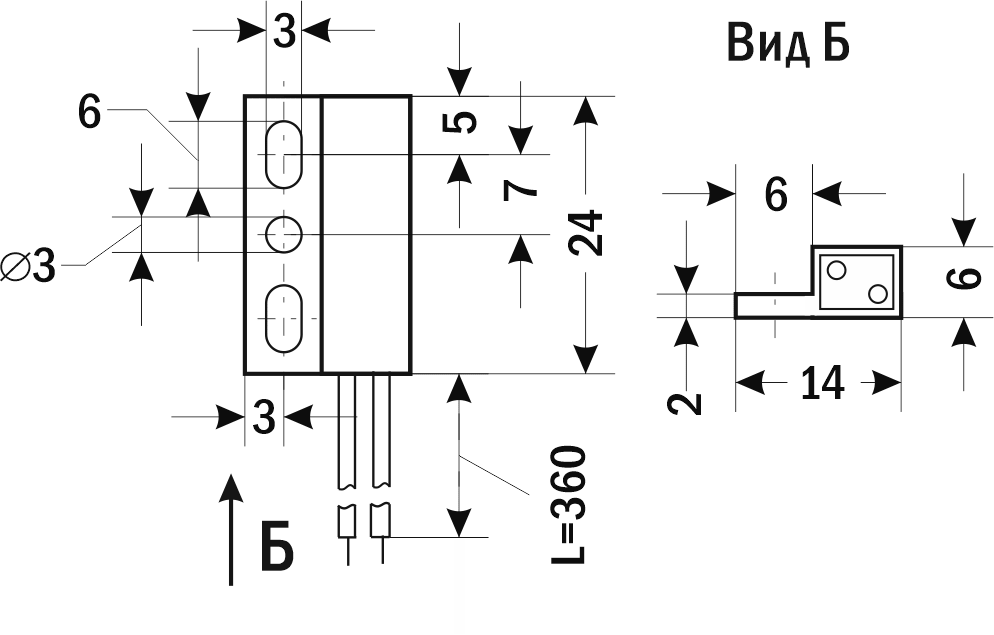
| Габаритные размеры
| 24×14×6 мм |
| Вес
| 5 г |
| Габаритные размеры |
![]() |

